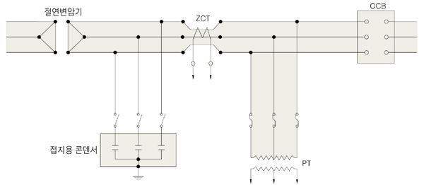
> 제품소개 > 전력용 콘덴서 > 특수용 콘덴서 > 접지용

| 설치 장소 | 옥내외 겸용 |
| 주의 사용온도(최소/최대) | -20℃ /+40℃(24시간 평균 35℃ 이하, 1년간 평균 25℃이하) |
| 용량허용차 | 정격용량의 -5 ~ +10%, 상간 불평형률 108% 이하 (20℃ 에서) |
| 최대사용전압 | 정격전압의 110% 이하: 24시간 중 12시간 이내 |
| 정격전압의 115% 이하: 24시간 중 30분 이내 | |
| 정격전압의 120% 이하: 5분 이내 | |
| 정격전압의 130% 이하: 1분 이내 | |
| 정격전압의 182% 이하: 2초 이내 | |
| 최대사용전류 | 정격전류의 130%과 전류 허용 |
| 손실 | 0.35% 이하(정격전압, 20℃ 에서) |
| 내전압 | 단자 상호간, 단자 일괄과 케이스간 |
| ● 회로전압 3300V : 10kVAC 60초 또는 30KVDC 10초 | |
| ● 회로전압 6600V : 16kVAC 60초 또는 45KVDC 10초 | |
| 온도상승 | 25deg 이하(정격전압, 20℃에서) |
| 유밀성 | 콘덴서의 모든 부분이 60℃이상 될때까지 가열하여 누유 없음 |
| 도장색 | Munsell No. 5Y 7/1 |
| 적용규격 | JEM 1362 (1999) |

| 정격전압 | 정격용량 | 형식명 | 치수[mm] | 중량 | ||||||||||
| [KV] | A | B | C | D | E | [kg] | ||||||||
| 3.3 | 10 | TBF-T36010Y | 130 | 280 | 465 | 430 | 145 | 30 | ||||||
| 6.6 | 10 | TBF-T66010Y | 130 | 280 | 465 | 430 | 145 | 30 | ||||||

