특수용 콘덴서(고압 FUSE 내장형)
이 제품은 뱅크 보호 System인 NVS, 전압 차동방식, Open Delta 방식, 전류 검출방식 등과 연계하여 고신뢰도가 요구되는 초고압 송전선의 조상설비 특히 안전도가 요구되는 변전설비 등에 적용 할 수 있도록 폐사가 자체 기술을 통하여 특별히 개발한 제품입니다.
콘덴서의 고신뢰성
통상의 콘덴서 뱅크는 여러 개의 단기 Unit으로 구성됩니다. 바람직한 보호방식은 뱅크 운전 중 고장이 발생했을 경우 영향을 최소화 하기 위해 해당 단기 혹은 단기내의 최소한의 소자 부분을 전원으로부터 분리, 절연 시켜주는 것입니다.

Oscillogram of failure occuring close to the current crest U = Voltage across parallel group with faulty element I = Current through unit
고장 ELEMENT의 신속한 분리동작
콘덴서에 내장된 Fuse는 유전체의 절연파괴가 발생함과 동시에 동작 되도록 특수 설계된 금속재질을 사용하고 있습니다. 고장시의 고장 소자 전류는 병렬회로 수에 따라 변하게 되는데 대개 정력전류의 15~20배 정도가 되어 고장 후 수 Cycle 이내 동작 됩니다.

CASE의 파괴방지
● 일반적으로 Case파괴는 콘덴서 고장시 내부 Arc 발생에 의한 분해 Gas 압력의 상승에 기인됩니다.
● Fuse 내장형 콘덴서는 위쪽 그림에 나타난 것과 같이 단기내의 전 소자에 FUse를 접속하여 고장시 해당 소자 한개 만을 분리시켜 파급효과를 최소화시킨 것입니다. 또한 공해분제로 인한 비 PVB계 발화성 절연유의 사용이 불가피한 것이 세계적인 추세이기 때문에 대형사고를 방지하기 위한 안전도 확보가 시급한 과제라고 할 수 있습니다.
● Fuse 내장형 콘덴서는 고장소자를 신속히 회로로 부터 분리함으로써 Arcing에 의한 Gas 압력팽창이 방지 되고 NEMA 규정에 의한 콘덴서 파괴 확율 곡선의 안전대 영역에 있도록 설계하여 Gase파괴와 같은 위험이 전혀 없습니다.

< 파괴확률곡선 : NEMA 규정 >
성능
| 관련규격 | IEC 593(Internal fuse and internal overpressure disconnectors for shunt capacitor) 일반시험 항목은 IEC 60871-1에 준한다. |
|---|---|
| 허용전류 | 정격전류의 1.43배에 견딜 것. |
| Fuse 내용성 | 개폐시의 돌입전류에 견딜 것. 건전소자는 고장소자에 의한 방전전류에 견딜 것. Fuse 동작 후 양극간은 정격전압 및 Surge성 전압에 견딜 것. |
| 방전시험 | 정격전압 × 1.7배 (VDC)의 전압을 충전한 후 방전 폐회로 내의 임피던스를 0에 가깝도록하여 급방전시킨 후 전체 소자수가 n개중 1개 이상의 단선이 없을 것. |
| Fuse 동작시험 | 정격전압의 0.9배에서 최초 Fuse의 동작을 유발시키고 전압을 상승하여 정격전압의 2.2배 내에서 2번째 Fuse 동작을 유발시킨다. Case를 개봉하여 동작된 Fuse 양 극간에 정격전압 × 3.5배 (VDC), 10초에 견딜 것. |
콘덴서의 수명
내장된 Fuse가 동작한 후 병렬로 접속된 소자의 전압 상승분은 수명에 영향을 미치지 않은 범위내에 있도록 설계시 직병렬 회로수를 산정합니다. 또한, 특수한 Fuse 선재를 사용함으로써 선재에서 발생될 수 있는 Loss분은 무시 할 수 있는 정도로 제한 하였습니다.
● Fuse 내장형 콘덴서의 기본적 개념은 큰 단위 용량의 콘덴서를 작은 소요량의 단위로 나누어 Segment 단위의 개별 보호를 시킴으로써 신뢰성을 향상시킨 것이라 할 수 있습니다.
● 왼쪽 그림은 기존의 단기콘덴서에 의한 뱅크방식과 Fuse 내장형 단기콘덴서에 의한 뱅크방식의 신뢰도를 비교한 것입니다.
-

< Fuse 내장형 콘덴서의 내부 회로도 > -

< Fuse 내장형 콘덴서와 일반형 콘덴서의 신뢰성 비교도 >
특수용 콘덴서 (접지용)
이 제품은 절연변압기의 2차측에 전선로와 대지간에 접속하여 이 사이의 정전용량을 높여주는 목적으로 폐사가 1975년 개발한 콘덴서로서 절연특성이 우수한 polypropylene Film과 양질의 콘덴서 Paper를 유전체로 사용하고 특별 제작된 합성유를 함침시켜 전기적 특성을 향상시킨 제품 입니다.
규격 및 성능
| 설치 장소 | 옥내외 겸용 |
|---|---|
| 주의 사용온도(최소/최대) | -20℃ /+40℃(24시간 평균 35℃ 이하, 1년간 평균 25℃이하) |
| 용량허용차 | 정격용량의 -5 ~ +10%, 상간 불평형률 108% 이하 (20℃ 에서) |
| 최대사용전압 | 정격전압의 110% 이하: 24시간 중 12시간 이내 |
| 정격전압의 115% 이하: 24시간 중 30분 이내 | |
| 정격전압의 120% 이하: 5분 이내 | |
| 정격전압의 130% 이하: 1분 이내 | |
| 정격전압의 182% 이하: 2초 이내 | |
| 최대사용전류 | 정격전류의 130%과 전류 허용 |
| 손실 | 0.35% 이하(정격전압, 20℃ 에서) |
| 내전압 | 단자 상호간, 단자 일괄과 케이스간 |
| ● 회로전압 3300V : 10kVAC 60초 또는 30KVDC 10초 | |
| ● 회로전압 6600V : 16kVAC 60초 또는 45KVDC 10초 | |
| 온도상승 | 25deg 이하(정격전압, 20℃에서) |
| 유밀성 | 콘덴서의 모든 부분이 60℃이상 될때까지 가열하여 누유 없음 |
| 도장색 | Munsell No. 5Y 7/1 |
| 적용규격 | JEM 1362 (1999) |
제품외형 도면 [3ø 제품]

3.3KV 및 6.6KV 60Hz 회로용 3ø 접지용 콘덴서 정격 및 치수
| 정격전압 | 정격용량 | 형식명 | 치수[mm] | 중량 | ||||
|---|---|---|---|---|---|---|---|---|
| [KV] | A | B | C | D | E | [kg] | ||
| 3.3 | 10 | TBF-T36010Y | 130 | 280 | 465 | 430 | 145 | 30 |
| 6.6 | 10 | TBF-T66010Y | 130 | 280 | 465 | 430 | 145 | 30 |
★ 이 카다로그에 기재된 제품의 시방, 치수는 변경될 수 있으므로 발주 전에 꼭 확인 바랍니다.
원리와 응용
3ø 회로에 있어서 1선 지락의 경우, 지락 전류는 다음 식으로 계산 됩니다.
lg = 3jwCEa = j√3 E2×πfC
Ig: 전지락전류[A]
E: 선간전압[V]
Ea: 상전압[V]
C: 계통의 상당 재지정전용량(C = C1+C2)
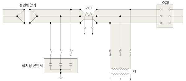
도면1의 1선 지락전류 1g로 부터 영상변류기(ZCT) 이후의 충전전류를 뺀 IC1이 영상 변류기를 통과하게 됩니다.
따라서 ZCT 를 통과하는 지락전류 Ig1은 다음 식으로 얻을 수 있습니다.
lg1 = √3 E2×π×f×C1
변압기와 ZCT와의 거리가 짧은 경우에는 선로의 대지정전용량이 작고, 접지차단기를 동작시키기에 충분한 관통 지략전류 Ig1을 얻을 수 없기 때문에, 접지용 콘덴서를 사용해 선로의 대지 정전용량을 증대시킵니다. 예를 들어 도면2 에서 E = 3300V, C1 = 0.5uF, f = 60Hz 라고 하면 ZCT관통 지락 전류는 다음과 같이 됩니다.
lg1 = √3×3300×2π×60×0.5×106 = 1.08[A]
지락차단기의 검출전류 선정은 0.1 ~ 0.8A 정도로 되어 있기 때문에, 이 설정치를 여유 있게 초과하는 C1값을 선정하면 좋습니다.
(C1은 1상 당의 값이고, C1 = 0.5uF의 경우는 0.5uF × 3의 접지용 콘덴서가 선정 대상이 됩니다.)


특수용 콘덴서 (SURGE 흡수용)
이 제품은 송변전 선로와 대지간에 접속하여 선로에 전파 가능한 뇌서지 및 차단기 개폐시에 발생될 수 있는 서지를 흡수, 저감하여 변압기나 회전기 등을 보호하는 목적으로폐사가 1976년에 개발한 콘덴서로서 내전압 특성이 우수한 Polypropylene Film과 양질의 콘덴서 Paper를 유전체로 사용하고 특별 제작된 합성유를 함침시켰을 뿐만 아니라 1986년에는콘덴서 내부에 직렬저항(R)을 삽입한 새로운 C-R Type을 개발하여 전기적 특성을 향상 시킨 제품입니다.
규격 및 성능
| 설치 장소 | 옥내외 겸용 |
|---|---|
| 주의 사용온도(최소/최대) | -20℃ /+40℃(24시간 평균 35℃ 이하, 1년간 평균 25℃이하) |
| 용량허용차 | 정격용량의 -5 ~ +10%, 상간 불평형률 108% 이하 (20℃ 에서) |
| 최대사용전압 | 정격전압의 110% 이하: 24시간 중 12시간 이내 |
| 정격전압의 115% 이하: 24시간 중 30분 이내 | |
| 정격전압의 120% 이하: 1개월 중 5분 이내가 2회 이하 | |
| 정격전압의 130% 이하: 1개월 중 1분 이내가 2회 이하 | |
| 최대사용전류 | 정격전류의 130%과전류 허용 |
| 손실 | C-Type: 0.5% 이하, CR-Type: 0.6% 이하(정격전압, 20℃ 에서) |
| 내전압 | 단자 상호간, 단자 일괄과 케이스간 |
| ● 회로전압 3300V : 16kVAC 60초 또는 45KVDC 10초 | |
| ● 회로전압 6600V : 22kVAC 60초 또는 60KVDC 10초 | |
| ● 회로전압 11000V : 28kVAC 60초 또는 90KVDC 10초 | |
| ● 회로전압 22000V : 50kVAC 60초 또는 150KVDC 10초 | |
| 온도상승 | 10deg 이하(정격전압, 35℃에서) |
| 유밀성 | 콘덴서의 모든 부분이 60℃이상 될때까지 가열하여 누유 없음 |
| 도장색 | Munsell No. 5Y 7/1 |
| 적용규격 | JEM 1362 (1999) |
제품외형 도면[3ø, 1ø 제품]
3.3kV, 6.6Kv, 13.2Kv, 22.9kV, 24kV, 60Hz 회로용 1ø 및 3ø SURGE 흡수용 콘덴서 정격 및 치수
| 정격전압 | 정격용량 | 형식명 | 치수[mm] | 중량[kg] | 도면 | ||||
|---|---|---|---|---|---|---|---|---|---|
| [KV] | A | B | C | D | E | ||||
| 3300/√3 | 0.05㎌×3 | THF-T30015TCR | 130 | 250 | 435 | 430 | 115 | 22 | 1 |
| 3300/√3 | 0.1㎌×3 | THF-T3003TCR | 130 | 250 | 435 | 430 | 115 | 22 | |
| 3300/√3 | 0.5㎌×3 | THF-T3015T | 130 | 270 | 455 | 430 | 115 | 23 | |
| 3300/√3 | 0.8㎌×3 | THF-T3024T | 130 | 270 | 455 | 430 | 115 | 23 | |
| 6600/√3 | 0.05㎌×3 | THF-T60015TCR | 130 | 250 | 435 | 430 | 115 | 22 | |
| 6600/√3 | 0.1㎌×3 | THF-T6003TCR | 130 | 250 | 435 | 430 | 115 | 22 | |
| 13800/√3 | 0.3㎌×3 | THF-T13003S | 130 | 280 | 510 | 430 | 145 | 27 | 2 |
| 22900/√3 | 0.1㎌×3 | THF-T22001S | 130 | 270 | 540 | 430 | 145 | 25 | |
| 24000/√3 | 0.2㎌×3 | THF-T24002S | 130 | 340 | 610 | 430 | 135 | 30 | |
| 24000/√3 | 0.4㎌×3 | THF-T24004S | 130 | 500 | 770 | 430 | 145 | 50 | |
★ 이 카다로그에 기재된 제품의 시방, 치수는 변경될 수 있으므로 발주 전에 꼭 확인 바랍니다.
원리와 응용
Surge 흡수용 콘덴서의 효과를 설명하기 위해 도면 A에 나타낸 것과 같이 회전기를 집중 등가저항 R로 나타내고, 이와 병렬로 보호 콘덴서 C가 접속된 회로에 V0=E0H(t)인 진행파가 파동임피던스 Z의 선로로부터 침입한 상태를 생각해 보면, P점에 있어서 전류 Ip는 R과 C의 단자전압을 Vc로 해서

Z와 R을 일정하다고 하고 C를 변화시키면 회전기의 단자전압 Vc는 도면 B와 같이 된다. 이로부터 C의 크기 또는 R의 크기에 따라 파고치가 저감되는 것을 알 수 있습니다. R = ∞ 로 하고, C = 0.3㎌으로 놓으면 회전기의 단자전압은 침입파의 1/2이하로 저하되어 Surge 흡수용 콘덴서의 효과가 있음을 알 수 있습니다.

특수용 콘덴서 (저주파 유도로용)
이 제품의 저주파 유도로의 가열 효율과 역률을 개선시켜 전원 합리화를 이루기 위한 목적으로 폐사가 1977년 개발한 콘덴서로서 내전압 특성이 우수한 Polyproylene 필름과 알루미늄 박막 또는 증착필름을 사용하여, 특별 제조된 합성유를 함침시켜 고 신뢰성을 갖는 우수한 제품입니다.
규격 및 성능
| 설치 장소 | 옥내용 |
|---|---|
| 주의 사용온도(최소/최대) | -20℃ /+40℃(24시간 평균 35℃ 이하) |
| 용량허용차 | 정격용량의 -5 ~ +10%(20℃ 에서) |
| 최대사용전압 | 정격전압의 105% 이하: 24시간 중 12시간 이내 |
| 최대사용전류 | 정격전류의 120% 이하(60Hz 이하), 115% 이하(60Hz 초과) |
| 내전압 | 단자 상호간 정격전압 × 2배, 10초 |
| 절연계급 | 단자 일괄과 케이스간 정격전압×2+2000V 또는 3000V 중 큰 값, 10초 |
| 절연저항 | 단자 일괄과 케이스간 1000㏁ 이상(20℃ 에서) |
| 온도상승 | 30deg 이하(정격전압, 30℃에서) |
| 손실 | 0.35% 이하(정격전압, 20℃에서) |
| 유밀성 | 콘덴서의 모든 부분이 60℃이상 될때까지 가열하여 누유 없음 |
| 도장색 | Munsell No. 5Y 7/1 |
제품 외형도면

60Hz 회로용 1ø 저주파 유도로용 콘덴서 정격 및 치수
| 정격전압 | 정격용량 | TAP 분할 용량 | 형식명 | 치수[mm] | 중량[kg] | 도면 | |||||
|---|---|---|---|---|---|---|---|---|---|---|---|
| [V] | [kvar] | [kvar] | A | B | C | D | E | F | |||
| 630 | 50 | 50 | SMFL-66050KS | 130 | 280 | 365 | 343 | 153 | 200 | 26 | 1 |
| 440 | 100 | 11.1+22.2+66.7 | SMFL-46100KS | 130 | 390 | 475 | 343 | 153 | 65 | 31 | 3 |
| 600 | 100 | 50+50 | SMFL-66100KS | 130 | 380 | 465 | 630 | 135 | 100 | 42 | 2 |
| 630 | 100 | 100 | SMFL-66100KS | 130 | 450 | 465 | 343 | 153 | 200 | 35 | 1 |
| 800 | 100 | 100 | SMFL-86100KS | 130 | 470 | 555 | 343 | 153 | 200 | 37 | 1 |
| 600 | 150 | 50+100 | SMFL-66150KS | 130 | 500 | 585 | 630 | 135 | 100 | 60 | 2 |
| 800 | 150 | 150 | SMFL-86150KS | 220 | 640 | 725 | 343 | 153 | 120 | 49 | 1 |
| 600 | 200 | 200 | SMFL-66200KS | 180 | 660 | 745 | 343 | 153 | 200 | 51 | 1 |
| 750 | 200 | 25+40+135 | SMFL-76200KS | 180 | 580 | 665 | 343 | 153 | 65 | 45 | 3 |
| 1000 | 200 | 30+60+110 | SMFL-106200KS | 220 | 840 | 925 | 343 | 153 | 65 | 64 | 3 |
| 1000 | 200 | 100+100 | SMFL-106200KS | 220 | 610 | 695 | 530 | 135 | 100 | 68 | 2 |
| 1200 | 200 | 25+25+150 | SMFL-126200KS | 130 | 480 | 565 | 530 | 170 | 90 | 56 | 3 |
| 1200 | 200 | 50+50+100 | SMFL-126200KS | 130 | 480 | 565 | 530 | 170 | 90 | 56 | 3 |
★ 이 카다로그에 기재된 제품의 시방, 치수는 변경될 수 있으므로 발주 전에 꼭 확인 바랍니다.
특수용 콘덴서 (수냉식용)
고주파 유도로 장치의 정합회로에 쉽게 사용 할 수 있도록 대용량으로 특수설계 제작된 제품입니다.유전체는 Polypropylene Film과 콘덴서 Paper를 조합 사용하였고 무유도 방식의 Aluminium Foil 전극을 사용하였으며 절연유로는 Non PCB유를 함침시켜 전기적으로 안정하며 우수한 특성을 갖고 있습니다.
냉각방식은 내부 유전체 손실에 의한 발열량을 냉각수가 급속히 흡수 할 수 있도록 설계되어 있습니다.
유도성 부하가 변화할 경우 회로정합이 용이하도록 적정 용량으로 구분, 인출 애자를 처리 하였습니다.
Case 재질은 비자성체인 Aluninium을 사용하여 고주파 전계에 의한 유도 손실을 극소화 하였으며 콘덴서 자체손실은 약 0.1% 정도 입니다.
수온상승은 최대 단기용량 기준(유량 5ℓ/분) 4deg 이하 입니다.
허용 부하 능력은 정격전압 1.05배 이하(24시간중 1시간 이내) 이며 최대 허용전륜는 정격전류의 1.35배 이하 입니다.
고주파용 수냉식 콘덴서는 대용량의 Coil 회로에 병렬로 접속되기 대문에 방전저항은 내장하지 않습니다.
콘덴서를 회로에 재투입 할 경우 콘덴서내의 잔류전압 허용한계는 정격전압의 10% 이내의 DC전압이며 단자부 너트 조임 강도는 200kg·cm 이하 입니다.
규격 및 성능
| 설치 장소 | 옥내용 |
|---|---|
| 주의 사용온도(최소/최대) | 0℃ 이상 |
| 냉각수온도 | 냉각수 출구 온도 45℃이하 |
| 용량허용차 | 정격용량의 -10 ~ +10% 이내(20℃에서) |
| 내전압 | 단자 상호간 정격전압 × 2.15배, 15초 |
| 냉각수유량 | 5ℓ/분 이상 |
| 냉각수 압력 | 10kg/㎠ |
| 보안장치 | Thermostat(접점용량: 250VAC, 7.5A) |
| 케이스 | Aluminium(무도장품) |
사용상 주의점
콘덴서의 외함이 편측 전극으로 되어 있으므로 설치시에는 필히 절연가대 등을 이용하삽시오.
콘덴서를 2대 이상 병렬로 설치할 경우 측면 간격은 35mm 이상 유지하십시오
냉각수 유량은 5ℓ/분 이상 흘려주십시오.
영하의 온도에서 콘덴서를 보관 할 경우 동파이프 내의 물을 완전히 제거 하십시오.
제품외형 도면
수냉식 콘덴서 정격 및 치수
| 정격전압 | 주파수 | 정격용량 | 정격용량 | TAP 분할 용량[㎌] | 치수[mm] | 도면 | |||||||||||
|---|---|---|---|---|---|---|---|---|---|---|---|---|---|---|---|---|---|
| [V] | [Hz] | [kvar] | [㎌] | 1 | 2 | 3 | 4 | 5 | 6 | 7 | 8 | A | B | C | D | E | |
| 800 | 960 | 450 | 117 | 5 | 8 | 16 | 44 | 44 | - | - | - | 225 | 330 | 460 | 343 | 138 | 1 |
| 1000 | 960 | 480 | 80 | 13 | 13 | 27 | 27 | - | - | - | - | 225 | 330 | 460 | 343 | 105 | 3 |
| 1250 | 1000 | 750 | 76 | 3 | 3 | 3 | 3 | 13 | 13 | 19 | 19 | 225 | 360 | 490 | 343 | 105 | 4 |
| 1250 | 1200 | 1200 | 102 | - | - | 17 | 17 | 17 | 17 | 17 | 17 | 225 | 330 | 460 | 343 | 105 | 4 |
| 1250 | 2000 | 300 | 15 | 7.6 | 7.6 | - | - | - | - | - | - | 225 | 200 | 330 | 343 | 138 | 2 |
| 400 | 3000 | 300 | 100 | 7 | 13 | 27 | 53 | - | - | - | - | 225 | 200 | 330 | 343 | 105 | 3 |
| 800 | 3000 | 1000 | 84 | 21 | 21 | 21 | 21 | - | - | - | - | 225 | 330 | 460 | 343 | 105 | 3 |
| 1250 | 3000 | 1200 | 40 | 3 | 3 | 3 | 3 | 7 | 7 | 7 | 7 | 225 | 330 | 460 | 343 | 105 | 4 |
| 1250 | 3000 | 1200 | 40 | 2 | 2 | 2 | 2 | 6 | 10 | 10 | 10 | 225 | 330 | 460 | 343 | 105 | 4 |
특수용 콘덴서 (충방전용)
각종시험용 전원장치(IVG, ICG, Mark Generator, L-C 공진회로용 전원장치, 소규모 융합 연구용 전원), 펄스파워용 전원장치(첨단의료기기, 암반파괴, 펄스레이져)등에 광범위하게 이용되고 있으며, 최근들어 수용각가 급격히 증가하고 있습니다.
펄스파워용의 고에너지 밀도 콘덴서는 비행체(전투기, 인공위성, 여객기 등) 전자/진열화학포, 고성능 레이저 및 레이다등 고성능 군수장비의 핵심부품이어서 선진 외국이 기술유출을 규제하여 제품의 수급이 어려웠었습니다. 하지만 현재는 당사가 충방전용 ㅋ몬덴서를 본격적으로 양산함으로써 제품의 수급이 원활해졌습니다.
1997년 11kVDC 150㎌ 9kJ 정격의 에너지 저장용 콘덴서를 순수 국내 기술로 개발하여 국내 연구 기관에 간이 합성 시험 설비의 전류원 전원장치용으로 납품하였으며 그 성능을 인정받고 있습니다. 그 외국 국내 중전기 제작 업체에 다수를 설치하여 시험설비용으로 운전되고 있습니다.

저손실 충방전용 콘덴서
손실 및 절연이 우수한 Polypropylene Film과 양질의 콘덴서 Paper를 유전체로 사용하였고, 특히 정제된 함침유를 사용하여 고 신뢰성을 갖는 제품입니다. 또한 내부 인덕턴스를 최소화하기 위해 무유도 방식을 채용하여 Self-Inductance를 낮추도록 설계된 제품입니다.
| 설치 장소 | 옥내용 |
|---|---|
| 주의 사용온도(최소/최대) | -20℃ / +40℃(24시간 평균 35℃이하) |
| 용량허용차 | 정격용량의 -10 ~ +10% 이내(20℃에서) |
| 손실 | 0.35%이하 (20℃에서) |
| 내전압 | 단자와 케이스간 정격전압×1.2배, 60초 |
| 절연저항 | 단자 일괄과 케이스간 1000㏁ 이상(20℃ 이하에서) |
| 유밀성 | 60℃ 항온조에서 3시간 방치시 누유 없을 것 |
| 도장색 | Munsell No. 5Y 7/1 |
| Self-Inductance | Max. 150nH |
| Duty Cycle | 1회 충방전 / 10분 이상 휴지 |
| Voltage Reversal | 20% ~ 90% |
정격 및 치수
| 정격전압 | 용량 | Joule | 형식명 | 치수[mm] | 중량 | 도면 | 비고 | |||||
|---|---|---|---|---|---|---|---|---|---|---|---|---|
| [kVDC] | [㎌] | [KJ] | A | B | C | D | E | F | [kg] | |||
| 11 | 150 | 9.08 | TFT-T11150S | 280 | 960 | 1145 | 970 | 160 | 228 | 81 | 1 | 절판 |
| 40 | 0.01 | 0.01 | TFT-T40001S | 130 | 190 | 375 | 430 | 115 | 300 | 21 | ||
| 40 | 11 | 8.8 | TFT-T40011S | 180 | 560 | 745 | 530 | 170 | 300 | 72 | ||
| 100 | 0.5 | 2.50 | TFT-T100005S | 130 | 390 | 660 | 530 | 135 | 380 | 43 | ||
| 100 | 1.0 | 5.00 | TFT-T100001S | 180 | 690 | 980 | 530 | 135 | 380 | 74 | ||
| 25 | 0.3 | 0.09 | TAE-25003S | - | 430 | 500 | 150 | 81 | 40 | 6.7 | 2 | 플라스틱 |
| 100 | 0.1 | 0.50 | MX-1001C | - | 430 | 500 | 150 | 81 | 40 | 7.5 | ||
규격 및 성능
| 설치 장소 | 옥내용 |
|---|---|
| 주의 사용온도(최소/최대) | -20℃ / +40℃(24시간 평균 35℃이하) |
| 용량허용차 | 정격용량의 -10 ~ +10% 이내(20℃에서) |
| 손실 | 0.6%이하 (20℃에서) |
| 내전압 | 단자와 케이스간 정격전압×1.2배, 60초 |
| 절연저항 | 단자 일괄과 케이스간 1000㏁ 이상(20℃ 이하에서) |
| 유밀성 | 60℃ 항온조에서 3시간 방치시 누유 없을 것 |
| 도장색 | Munsell No. 5Y 7/1 |
| Self-Inductance | Max. 150nH |
| Duty Cycle | 1회 충방전 / 10분 이상 휴지 |
| Voltage Reversal | 20% ~ 90% |
| 수명 | Voltage Reversal 20% 일 때 2,000회 이상 |
정격 및 치수
| 정격전압 | 용량 | Joule | 형식명 | 치수[mm] | 중량 | 도면 | 비고 | |||||
|---|---|---|---|---|---|---|---|---|---|---|---|---|
| [kVDC] | [㎌] | [KJ] | A | B | C | D | E | F | [kg] | |||
| 20 | 200 | 0.33 | SDF-T20200S | - | 620 | 660 | 470 | 340 | 250 | 130 | 2 | 절판 |




